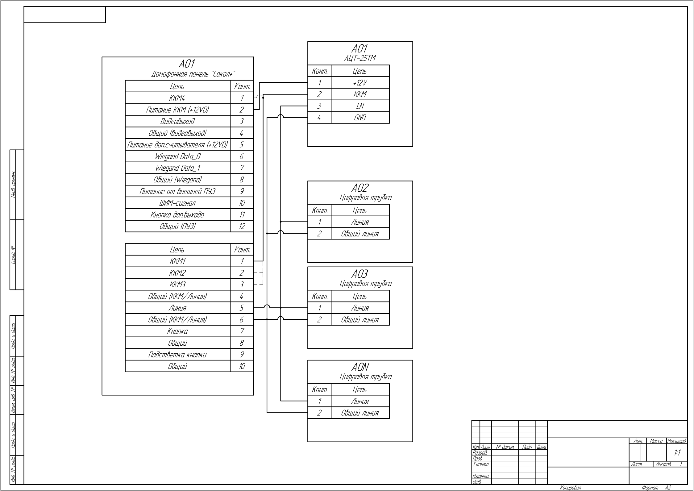
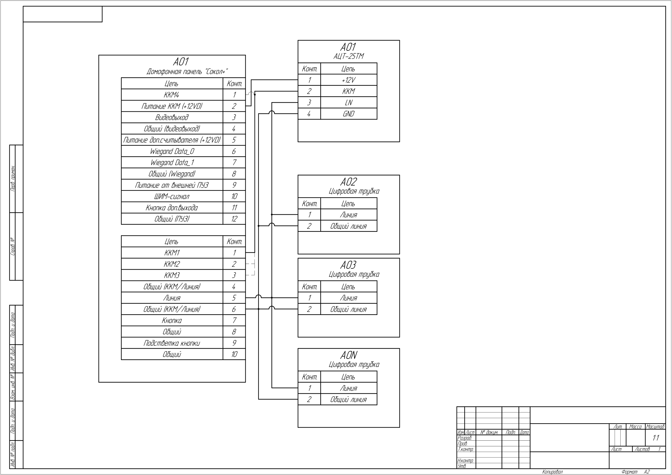
Адаптер цифровых трубок АЦТ-25ТМ
Адаптер цифровых трубок АЦТ-25ТМ предназначен для подключения цифровых абонентских трубок к домофонной панели Сокол Плюс (rev.5).
Технические характеристики
| Напряжение питания постоянного тока |
12 В |
| Габаритные размеры | 40×20×3 мм |
| Рабочий температурный диапазон | от –40°C до +50°C |
| Исполнение | плата без корпуса |
Схема подключения (Важно!!! Подключать либо ККМ1 либо ККМ2, либо ККМ3 либо ККМ4 (ККМ2,3,4 показаны тонкой линией), подключать можно только один адаптер, подключение нескольких АЦТ-25ТМ работать не будет)
